Consegna gratuita
nessun acquisto minimo Prodotto in Francia
100% su misura Una storia franco-italiana
dal 2017 94% di clienti soddisfatti94%
+ 1 450 recensioni di clienti soddisfatti
Contattateci02 4792 7128Lun al Ven : 9:00-17:00
Contattateci
02 4792 7128
Guida alla scelta
Il vostro carrello
Il tuo carrello è vuoto.
In questo file tecnico, scoprirai tutti gli elementi e i dati tecnici necessari per conoscere la tenda a rullo, i tessuti e le loro caratteristiche e le diverse opzioni disponibili. Oltre a una presentazione generale del prodotto, scoprirai in particolare i seguenti sezione:


![]() |
Catenella in PVC Bianca La tenda è azionata su e giù da una catena in PVC bianco 4,5 mm x 6,2 mm. Questa catena può essere utilizzata su tende dotate di un meccanismo bianco |
![]() |
Catenella in PVC Grigia La tenda è azionata su e giù da una catena in PVC grigio chiaro 4,5 mm x 6,2 mm. Questa catena può essere utilizzata su tende dotate di un meccanismo grigio |
![]() |
Catenella in PVC Nera La tenda è azionata su e giù da una catena in PVC nero da 4,5 mm x 6,2 mm. Questa catena può essere utilizzata su tende dotate di un meccanismo nero |
![]() |
Catenella in metallo Chromato La tenda è azionata su e giù da una catena di metallo cromato 4,5 mm x 6,2 mm. Questa catena può essere utilizzata su tende dotate di un meccanismo bianco, grigio o nero |
![]() |
Motorizzati 5 volts con telecomando La tenda è azionata su e giù da un telecomando. La tenda è dotato di un motore a 5 volt che si ricarica come uno smartphone ogni 200 cicli. È possibile gestire fino a 5 tende separatamente sullo stesso telecomando. |
|
Tubo di avvolgimento in alluminio diametro 29 mm Questo tubo viene utilizzato per tende a catenella la cui larghezza è inferiore a 180 cm e l'altezza è inferiore a 200 cm |
|
Tubo di avvolgimento in alluminio diametro 28 mm Questo tubo viene utilizzato per le tende a manovra motorizzata per 5 volts |
|
Tubo di avvolgimento in alluminio diametro 43 mm Questo tubo viene utilizzato per tende a catenella la cui larghezza è superiore a 180 cm o l'altezza è superiore a 200 cm |
|
Piastre in acciaio zincato Queste sono le squadre che supportano il tubo di avvolgimento su cui è fissato il tessuto. |
|
Guance in PVC Queste sono guance in PVC che assicurano l'elevata finitura della tenda. Sono bianchi, grigi o neri a seconda del colore del meccanismo scelto. |
|
Barra di carico in alluminio 1,1 cm x 2,3 cm Questa barra di carico in alluminio è visibile. Esiste in 3 colori: bianco, nero, grigio anodizzato (trasparente) a seconda del colore del meccanismo scelto. |
|
La piastra posteriore (profilo in alluminio dello stesso colore del vostro meccanismo) si trova sul retro della vostra tenda a rullo, sia per il montaggio a parete che per il montaggio a soffitto. Questo pezzo ti offrirà facilità e un notevole risparmio di tempo durante l'installazione. Infatti, questa piastra posteriore ti consentirà di fissare semplicemente la tua tenda a rullo utilizzando le clip di installazione, che possono essere posizionate ovunque su questo profilo posteriore. Una volta che queste clip sono state fissate con una vite al muro o al soffitto, tutto ciò che devi fare è agganciare la tua tenda a rullo. |
| Avvolgimento NORMALE | Avvolgimento INVERSO |
Questo è il classico avvolgimento, in cui il tessuto è il più vicino alla vetratura. Questo avvolgimento sarà preferito nel caso di una tela oscurante per limitare il passaggio della luce. |
È un avvolgimento, in cui il tessuto è lontano dai vetri. Questo avvolgimento può essere utile per evitare una maniglia della finestra. |
| Ingombro montaggio frontale | Ingombro montaggio a soffitto |
![]() |
![]() |
| Larghezza della tenda | Da 50 a 89 cm | Da 90 a 159 cm | Da 160 a 200 cm | Più di 200 cm | ||||||
| Numero di supporti forniti | 2 | 3 | 4 | 6 | ||||||
Questa installazione senza fori consente di fissare la tenda in modo sicuro senza dover forare la finestra. Questa opzione è particolarmente interessante per finestre in PVC o alluminio. Non richiede strumenti
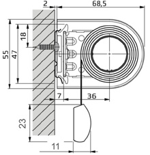
Dettagli e dimensioni del supporto

Questa posa viene eseguita con la perforazione del muro o nell'apertura. È l'installazione tradizionale ma che richiede la perforazione del muro o dell'importo della finestra.
Dettagli e dimensioni del supporto


Questa installazione senza perforazione consente di fissare la tenda in modo sicuro senza dover forare la finestra. Questa opzione è particolarmente interessante per finestre in PVC o alluminio. Non richiede strumenti.
Dettagli e dimensioni del supporto


Questa installazione viene eseguita mediante fori (in una parete con viti e tasselli adattati al tipo di parete ma non in dotazione) o direttamente avvitando nell'apertura con viti per legno o viti autoperforanti per alluminio.
Dettagli e dimensioni del supporto


| SENZA Fori | CON Fori |
|
Questo supporto verrà fornito con il cavo in acciaio rivestito se si scelgono le opzioni di guida e installazione senza fori (2 per tende).
|
Questo set verrà fornito con il cavo in acciaio rivestito se si sceglie la guida e le opzioni di installazione avvitate. (2 per tende).
|
Le nostre tende sono concepite con materiali resistenti e sono adatte ad un utilizzo intenso. I nostri prodotti sono durevoli a lungo termine e riparabili al bisogno (pezzi di ricambio disponibili).
Tele filtranti
| Colore | Riflessione Solare | Trasmissione Solare | Assorbimento Solare | ||||||
| Vaniglia | 51% | 32% | 17% | ||||||
| Giallo | 47% | 29% | 24% | ||||||
| Cioccolato | 24% | 13% | 64% | ||||||
| Rosso | 36% | 22% | 42% | ||||||
| Bianco | 57% | 36% | 7% | ||||||
| Violetto | 45% | 30% | 25% | ||||||
| Nero | 29% | 17% | 54% | ||||||
| Fuscia | 35% | 21% | 44% | ||||||
| Talpa | 40% | 26% | 34% | ||||||
| Verde anice | 42% | 28% | 30% | ||||||
| Blu | 35% | 28% | 37% | ||||||
| Grigio topo | 34% | 21% | 45% | ||||||
Tele filtranti con motivi
| Colore | Riflessione Solare | Trasmissione Solare | Assorbimento Solare | ||||||
| Aretha beige | 54% | 18% | 28% | ||||||
| Aretha grigio | 44% | 17% | 39% | ||||||
| Aretha nero | 11% | 3% | 86% | ||||||
| Wood bianco | 45% | 50% | 5% | ||||||
| Spring Twing bianco | 45% | 50% | 5% | ||||||
| Zip bianco | 50% | 45% | 5% | ||||||
Tele filtranti Green
| Colore | Riflessione Solare | Trasmissione Solare | Assorbimento Solare | ||||||
| Effeto porcellana beige | 40% | 55% | 5% | ||||||
| Effeto porcellana grigio | 30% | 45% | 25% | ||||||
| Effeto porcellana cioccolato | 30% | 40% | 30% | ||||||
| Effeto porcellana blu | 25% | 15% | 60% | ||||||
| Effeto lino beige | 45% | 50% | 5% | ||||||
| Effeto lino bianco | 45% | 50% | 5% | ||||||
| Effeto lino grigio | 30% | 45% | 25% | ||||||
Tele filtranti effetto Juta
| Colore | Riflessione Solare | Trasmissione Solare | Assorbimento Solare | ||||||
| Marrone | Non disponibile | Non disponibile | Non disponibile | ||||||
| Antracite | Non disponibile | Non disponibile | Non disponibile | ||||||
| Grigio chiaro | Non disponibile | Non disponibile | Non disponibile | ||||||
| Beige | Non disponibile | Non disponibile | Non disponibile | ||||||
| Bianco | Non disponibile | Non disponibile | Non disponibile | ||||||
Tele filtranti in Bambù
| Colore | Riflessione Solare | Trasmissione Solare | Assorbimento Solare | ||||||
| Sabbia | 24% | 44% | 22% | ||||||
| Bianco | 46% | 47% | 7% | ||||||
| Beige | 30% | 13% | 57% | ||||||
Tela filtranti Naturale
| Colore | Riflessione Solare | Trasmissione Solare | Assorbimento Solare | ||||||
| Beige | 45% | 35% | 20% | ||||||
| Beige effeto porcellana | 45% | 35% | 20% | ||||||
| Bianco effeto porcellana | 50% | 40% | 10% | ||||||
| Tela di iuta | 35% | 30% | 35% | ||||||
Tele oscuranti in Velluto
| Colore | Riflessione Solare | Trasmissione Solare | Assorbimento Solare | ||||||
| Acciaio | 9% | 0% | 91% | ||||||
| Roccia | 14% | 0% | 86% | ||||||
| Sabbia | 44% | 3% | 53% | ||||||
| Gelsomino | 71% | 0% | 29% | ||||||
| Bianco | 77% | 12% | 11% | ||||||
Tele oscuranti
| Colore | Riflessione Solare | Trasmissione Solare | Assorbimento Solare | ||||||
| Grigio topo | 50% | 0% | 50% | ||||||
| Vaniglia | 88% | 0% | 12% | ||||||
| Giallo | 67% | 0% | 33% | ||||||
| Cioccolato | 42% | 0% | 58% | ||||||
| Rosso | 54% | 0% | 46% | ||||||
| Violetto | 63% | 0% | 37% | ||||||
| Fuscia | 54% | 0% | 46% | ||||||
| Talpa | 53% | 0% | 45% | ||||||
| Verde anice | 61% | 0% | 39% | ||||||
| Blu | 52% | 0% | 48% | ||||||
| Bianco | 73% | 0% | 28% | ||||||
| Nero | 40% | 0% | 60% | ||||||
Tele oscuranti di Juta
| Colore | Riflessione Solare | Trasmissione Solare | Assorbimento Solare | ||||||
| Marrone | 70% | 0% | 30% | ||||||
| Antracite | 70% | 0% | 30% | ||||||
| Grigio chiaro | 70% | 0% | 30% | ||||||
| Beige | 70% | 0% | 30% | ||||||
| Bianco | 70% | 0% | 30% | ||||||
Tele oscuranti Effeto Melange
| Colore | Riflessione Solare | Trasmissione Solare | Assorbimento Solare | ||||||
| Naturale | 48% | 0% | 52% | ||||||
| Antracite | 35% | 0% | 65% | ||||||
| Cenere | 37% | 0% | 63% | ||||||
| Roccia | 43% | 0% | 57% | ||||||
Tela Screen Unita - Tessuto ignifugo
| Colore | Riflessione Solare | Trasmissione Solare | Assorbimento Solare | ||||||
| Bianco | 60% | 29% | 11% | ||||||
| Bianco sabbia | 57% | 22% | 21% | ||||||
| Bianco perla | 49% | 12% | 39% | ||||||
| Grigio perla | 33% | 9% | 58% | ||||||
| Grigio antracite | 4% | 5% | 91% | ||||||
Tela Screen Anti-calore Soltis 99 colore/colore
| Colore | Riflessione Solare | Trasmissione Solare | Assorbimento Solare | ||||||
| Bianco | 66% | 21% | 13% | ||||||
| Quartz | 62% | 19% | 19% | ||||||
| Canapa | 48% | 15% | 37% | ||||||
| Argilla | 39% | 9% | 52% | ||||||
| Grigio chiaro | 44% | 12% | 44% | ||||||
| Antracite | 8% | 3% | 89% | ||||||
Tela Screen Antiriflesso metallizzata
| Colore | Riflessione Solare | Trasmissione Solare | Assorbimento Solare | ||||||
| Bianco | 65% | 13% | 22% | ||||||
| Bianco Sporco | 47% | 9% | 44% | ||||||
| Grigio Chiaro | 42% | 9% | 49% | ||||||
| Alluminio | 45% | 5% | 50% | ||||||
| Antracite | 9% | 3% | 88% | ||||||
| Grigio Scuro | 25% | 4% | 71% | ||||||
| Beige | 48% | 7% | 45% | ||||||
| Verde | 36% | 8% | 56% | ||||||
| Bianco Neve | 54% | 13% | 33% | ||||||
In considerazione della varietà di supporti su cui le tende possono essere montate (legno, PVC, alluminio, calcestruzzo, cartongesso, ecc.), non siamo in grado di fornire viti e tasselli.
Tuttavia, riportiamo di seguito una tabella che indica il tipo di vite o di tassello da scegliere in funzione del supporto su cui la tenda verrà montata:
| VITE 4 mm x 15 mm (diametro x lunghezza) |
VITE 4 mm x 40 mm (diametro x lunghezza) |
VITE AUTOFORANTE 3,9 mm x 13mm (diametro x lunghezza) |
TASSELLO IN PLASTICA 6 mm x 30 mm (diametro x lunghezza) |
TASSELLO IN METALLO "tipo Molly" |
|||||||
| MATERIALE DEL SOPPORTO | ![]() |
![]() |
![]() |
![]() |
![]() |
||||||
| LEGNO | X | ||||||||||
| PVC | X | ||||||||||
| ALLUMINIO | X | ||||||||||
| CEMENTO | X | X | |||||||||
| CARTON GESSO (BA13) | X | ||||||||||
| MURO IN GESSO | X | X | |||||||||
A seconda dei tipi di tessuti o dei sistemi operativi, i limiti dimensionali di fabbricazione possono essere diversi. La tabella seguente mostra tutti questi limiti:
| Manovra a catenella | Manovra Motorizzata 5 volts | |||||||
| Larghezza en Cm | Altezza en Cm | Larghezza en Cm | Altezza en Cm | |||||
| Min | Max | Min | Max | Min | Max | Min | Max | |
| Oscuranti tinta unita | 30 | 200 | 30 | 280 | 55 | 200 | 30 | 280 |
| Oscuranti Melange | 30 | 200 | 30 | 200 | 55 | 200 | 30 | 200 |
| Oscuranti aspetto tela di Juta | 30 | 200 | 30 | 200 | 55 | 200 | 30 | 200 |
| Oscuranti in velluto | 30 | 200 | 30 | 280 | 55 | 200 | 30 | 280 |
| Filtranti tinta unita | 30 | 200 | 30 | 280 | 55 | 200 | 30 | 280 |
| Filtranti Melange | 30 | 200 | 30 | 280 | 55 | 200 | 30 | 280 |
| Filtranti Aspetto Iuta | 30 | 200 | 30 | 280 | 55 | 200 | 30 | 280 |
| Filtranti effetto Bambù | 30 | 200 | 30 | 210 | 55 | 200 | 30 | 210 |
| Filtranti con motivi | 30 | 200 | 30 | 180 à 260* | 55 | 200 | 30 | 180 à 260* |
| Filtranti Green | 30 | 200 | 30 | 280 | 55 | 200 | 30 | 280 |
| Screen SOLTIS® - Termiche | 30 | 181 à 250* | 30 | 280 | 55 | 200 | 30 | 280 |
| Night and day | 30 | 240 | 30 | 230 | X | |||
| Night and day effetto Melange | 30 | 230 | 30 | 210 | ||||
| Night and day Effetto Naturale | 30 | 230 | 30 | 210 | ||||
| Night and day Effetto flanella | 30 | 240 | 30 | 210 | ||||
| Screen tinta unita | 30 | 200 | 30 | 280 | 55 | 200 | 30 | 280 |
L'intero meccanismo essendo in alluminio o PVC, può essere pulito con una spugna umida.
Allo stesso modo per i tessuti, una semplice spugna umida manterrà la tua tenda in perfette condizioni.
In caso di mancato rispetto di queste istruzioni, non possiamo essere ritenuti responsabili delle conseguenze.
Pagamento 100%
sicuro
Consegna gratuita
nessun acquisto minimo
Più del 94% dei nostri clienti
sono soddisfatti
5 anni di garanzia
sui nostri prodotti
Carmen e Edera sono qui per aiutarti
Contattaci : 02 4792 7128
dal Lunedi' al Venerdi' dalle 9.00 alle 17.00.
Pagamento 100%
sicuro
Consegna gratuita
nessun acquisto minimo
Più del 94% dei nostri clienti
sono soddisfatti
5 anni di garanzia
sui nostri prodotti
Hai una domanda?
Hai bisogno di un consiglio?
![]()
Carmen ed Edera sono qui per aiutarti
Contattaci: 02 4792 7128
dal Lunedì al Venerdì dalle 9.00 alle 17.00
Seguici sui nostri canali social!